
·采用大容量的免維護電池;
·無級調速加速系統;
·采用CURTIS控制系統;
·有緊急制動的功能;
·適用室內、外平整的路面上;
·設計的爬坡度為5%;
·有低電壓保護功能;
·有故障顯示燈,便于診斷和維護;
|
特征 |
|||
|
1.1 |
品牌 |
|
FONNY |
|
1.2 |
型號 |
|
FN250 |
|
1.3 |
動力形式 |
|
電動 |
|
1.4 |
操作類型 |
|
步行式 |
|
1.5 |
載荷 |
kg |
2500 |
|
1.6 |
額定牽引力 |
N |
800 |
|
1.7 |
軸距 |
mm |
620 |
|
重量 |
|||
|
2.1 |
自重(含電瓶) |
kg |
258 |
|
2.2 |
電瓶重量 |
kg |
54 |
|
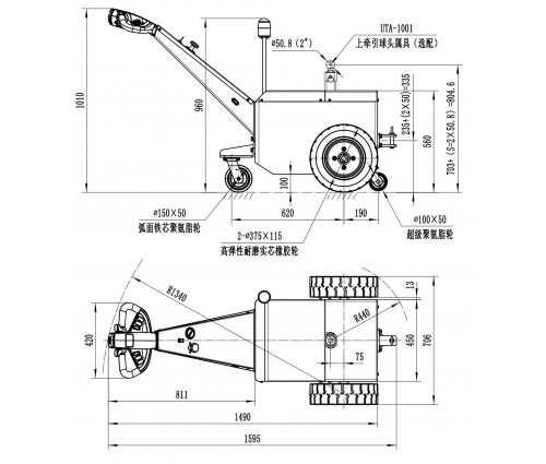
輪胎,底盤 |
|||
|
3.1 |
輪胎類型,驅動輪/承載輪 |
|
橡膠實心/PU |
|
3.2 |
驅動輪尺寸(直徑×寬度) |
mm |
2×Φ375×115 |
|
3.3 |
承載輪尺寸(直徑×寬度) |
mm |
Φ150×50 |
|
3.4 |
支撐輪尺寸(直徑×寬度) |
mm |
Φ100×50 |
|
3.5 |
驅動輪/承載輪數量(×=驅動輪) |
mm |
2×/1 |
|
3.6 |
前輪距,驅動端 |
mm |
720 |
|
尺寸 |
|||
|
4.1 |
整車高度 |
mm |
1010 |
|
4.2 |
操作位置手柄桿最小/最大高度 |
mm |
1010 |
|
4.3 |
牽引耦合器高度范圍 |
mm |
235/285/335 |
|
4.4 |
整車長度 |
mm |
1595 |
|
4.5 |
整車寬度 |
mm |
706 |
|
4.6 |
最小離地間隙 |
mm |
100 |
|
4.7 |
轉彎半徑 |
mm |
1340 |
|
性能參數 |
|||
|
5.1 |
行走速度,滿載/空載 |
km/h |
4~5 |
|
5.2 |
額定牽引力 |
N |
800 |
|
5.3 |
最大牽引力 |
N |
1200 |
|
5.4 |
爬坡能力,滿載/空載 |
% |
10 |
|
5.6 |
制動類型 |
|
電磁 |
|
電機,動力源 |
|||
|
6.1 |
驅動電機額定功率S2 60分鐘 |
kw |
1.2 |
|
6.2 |
充電器(外置) |
V/A |
24/10 |
|
6.3 |
電瓶電壓/標稱容量K20 |
V/Ah |
2×12/73 |
|
6.4 |
電瓶重量 |
kg |
54 |
|
其他數據 |
|||
|
7.1 |
驅動控制類型 |
|
DC |
|
7.2 |
轉向類型 |
|
機械 |
|
7.3 |
噪音等級 |
dB(A) |
<70 |
|
7.4 |
牽引耦合,依據DIN15170類型 |
|
插銷式(可定制) |
法尼所面向的所有終端客戶在服務期 限內均可享受Web支持和法尼技術支持服務。如果產品發生故障,客戶可以直接通過互聯網登錄法尼網站服務專區,搜索查詢專項產品服務或通知法尼為客戶上門提供技術人員和所需部件。上門支持服務將在客戶提出服務請求的國家和地區內提供, 且限于有能力提供客戶所購產品和部件的國家和地區。
● FONNY 擁有健全、完善的技術服務制度和檢查制度,并有專業的維保工程師,為您的項目進行現場指導并監督,免去您對于產品維保的后顧之憂。我們嚴格執行安全操作規程,遵守安全管理制度,并由維保工程師定期對客戶維保人員進行安全上崗和操作技能、安全、服務利益等各項培訓,科學規范維保工作流程,提高效率,保證日后 的維保質量。
● 維保工程師定期填寫《維修保養周期表》,并向客戶明確產品報修及投訴電話,接到報修電話后,維保工程師會第一時間趕赴現場。江浙滬地區24小時內,其它地區48小時。
● 具體服務年限請見報價單,該期限過后的在線支持服務需要根據法尼服務條款確定,如需另行付費,法尼將在第一時間通知客戶。盡管存在服務年限的規定,易損件、電池和其他等法尼耗材和附件按照特定的支持服務進行。
快速訂購、支持專線:400-7167-828
● 時刻對產品提供一年2次的回訪服務,及時了解客戶的各項需求, 提供更優質更適合客戶的服務項目。
● 維保工程師始終堅持讓客戶滿意,迅速有效地處理用戶意見,以熱情、有效的服務態度為用戶解決問題。
◆ 電話技術支持
法尼提供系列化的服務以滿足客戶需求。電話技術支持服務旨在第一時間快速正確的處理合作伙伴的問題,提供正常工作時間和正常工作時間之外的加時遠程 電話技術支持。
服務概述
以下(“服務說明 ”)詳細闡述了法尼電話技術支持服務所包含的遠程服務內容。通過該支持服務計劃,您可在本服務說明規定的時間段之 內通過電話獲得法尼技術支持服務。呼叫法尼報價單訂單及其他媒體所標明的技術支持號碼,獲得技術支持服務。
以上技術支持號碼服務面向中國大陸地區,港澳臺及其他地區服務參見其他區域服務說明。 增強型電話技術支持服務提供:法尼遠程電話技術支持
國家和地區
電話技術支持時 間
中國大陸及港澳臺區域
周一至周五早8:30-下午5:30
周六早9:00-下午17:00
其他地區參見法尼其他區域服務說明
服務時間基于東部標準時間(EST)
客戶職責
如法尼產品出現任何故障, 客戶應呼叫法尼訂單及其他媒體標明的免費技術支持號碼,聯系法尼技術支持部門。
A、呼叫法尼之前 , 客戶應準備妥當下列信息:1. 客戶在法尼注冊的客戶編號 2.產品貨號型號3.產品序列號 4.用戶應身處設備所在位置,并遵循法尼技術人員的指導
B、與法尼進行電話交流時,客戶應準備妥當下列信息:1.故障的詳細說明 2. 在條件允許的情況下,準備故障的文檔說明及設備故障圖片其它重要信息。
機密性或專有權利主張:客戶允諾,任何提供或發送至法尼(通過電話、郵件或其它方式)的信息或數據非客戶機密或專有。 本服務說明服從客戶與法尼簽署的更高級別協議的條款、條件,并作為其補充。在此類協議不存在的情況下,本文將受法尼標準的銷售、服務和技術支持條款和條件的限制并作為其補充,后者可致函索取或訪問 m.scqsx.cn 獲得。在本文與此類條款或條件相抵觸時,應以本文為準。法尼有權對本文及其描述的產品和服務隨時進行增補或修改, 恕不另行通知。
◆ 在線技術支持
法尼所面向的所有終端客戶在服務期限內均可享受Web 支持和法尼技術支持服務。如果產品發生故障, 客戶可以直接通過互聯網登錄法尼網站服務專區,搜索查詢專項產品服務或通知法尼為客戶上門提供技術人員和所需部件 。上門支持服務將在客戶提出服務請求的國家和地區內提供,且限于有能力提供客戶所購產品和部件的國家和地區。
具體服務年限請見報價單,該期限過后的 在線支持服務需要根據法尼服務條款確定,如需另行付費, 法尼將在第一時間通知客戶。盡管存在服務年限的規定,易損件、電池和其他等法尼耗材和附件按照特定的支持服務進行。
服務說明
法尼在其技術支持網站( m.scqsx.cn) 上提供包含電子郵件支持在內的綜合性免費在線支持。大多數支持問題都可通過法尼的在線 問題診斷平臺和信息資源得到解答,
例如:
1.與法尼技術人員一樣,訪問法尼的知識管理系統,查詢問題診斷方法、故障診斷信息和常見問題(FAQ)等大量參考資料。
2.通過鍵入客戶編號獲取有關您的企業交易信息及購買產品的維護保養信息。
3.獲取設備保養及維護知識,注冊獲取知識更新通知。
4.在線觀看產品使用、維護 、保養及維修視頻。
5.加入討論組,與其他客戶和法尼專業技術人員交流。
◆ 上門服務技術支持
上門服務為客戶的法尼的產品提供在購買地區以外的服務與支持。法尼提供的該服務僅限于在中國大陸地區。當客戶在其所在國家或地區之外遇到問題時, 可在支持其產品的任何國家或地區要求獲得全球服務。服務細則和部件供貨情況在不同國家或地區會有所不同。客戶應明 確,受產品所在地距離和交通狀況影響,各地提供的上門服務反應速度會有所不同。
客戶可通過三種途徑獲取技術支持:
1. 客戶可呼叫其當前所在地區的呼叫中心。
2. 客戶可呼叫報價單上的客戶服務代表或技術支持代表。
3.如果需要維修, 法尼技術人員將通過客戶所在地的法尼呼叫中心安排服務。法尼不排除上門服務可能由法尼服務合作伙伴提供。